Ring Joint Gasket

INGI – 0188
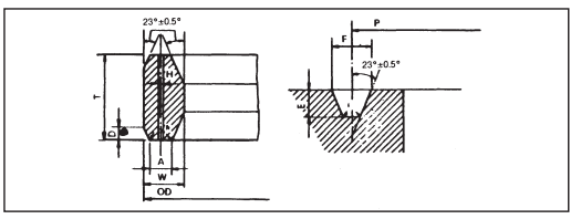
Ring Joint, Solid Metal Gasket (Oval & Octagonal Type)
Standard sizes :
API type R oval and octagonal ring joints for JPI, ANSI, API, MSS ring type joint flanges.

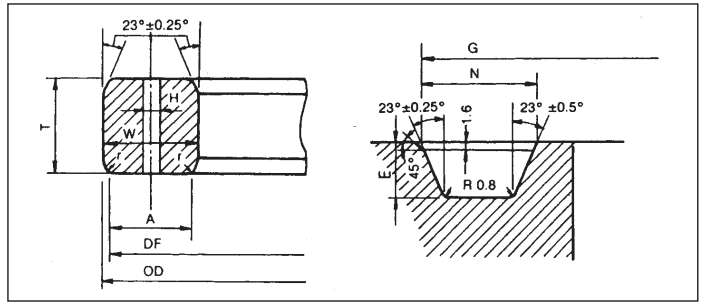
Ring Joint, Solid Metal Gasket (RX Type)
API type RX pressure energized ring joint for API 6B flanges and segmented flanges.
API Spec 6A (1977), ANSI B 16.20 (1970)

Ring Joint, Solid Metal Gasket (BX Type)
API type BX pressure energized ring joint for API 6BX flanges.
API Spec 6A (1977)

Ring Joint, Solid Metal Gasket (Flat Type)
Machined from solid metals in a variety of shapes and are designed for high pressure, high temperature,
or high corrosive applications by selecting the most suitable material and shape.
